公司简介
希克曼成果
我们的服务
选择我们
投资者关系
污水处理监测系统
纯水处理系统监测
锅炉水处理系统
饮用水水安全监测
养殖业安全监测
水利水库安全监测
河道断面品质监测
数字化水厂系统
车载/船用型监测
工业水处理检测系统
石油化工炼化工艺
电厂化学
工业与市政
石油与化工
其他仪表
水处理产品
实验室分析仪
便携式分析仪
传感器与试剂
定制产品
服务能力
资料下载
人才战略
招聘信息
联系方式
在线留言
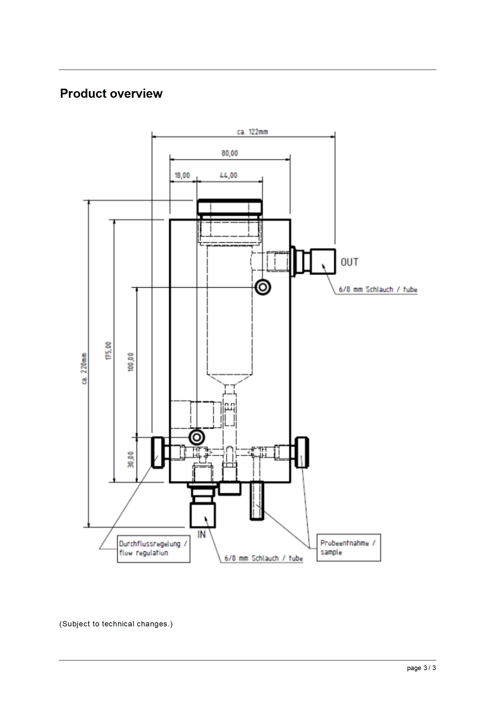
首页 > 产品中心 > 传感器与试剂 > 安装附件 > TRF 3恒压流通杯
硅酸根分析仪
磷酸根分析仪
钠离子分析仪
硬度分析仪
酸碱浓度计
溶解氧分析仪
溶解氢分析仪
电导率分析仪
pH 分析仪
微波密度计
混合污泥浓度分析仪
悬浮物浓度计
污泥界面分析仪
浊度计
氯分析仪
pH/orp分析仪
多参数智慧分析仪
有机物分析仪器
氨氮分析仪器
总氮分析仪器
磷分析仪器
色度分析仪器
污泥浓度微波测试仪
光谱氨氮/硫化物
微生物活性分析系统
哨兵分析仪
SOUR分析系统
OTE分析系统
重金属分析仪器
过程分析仪
压力表
电磁流量计
多普勒流量计
报警仪
气体流量计
超声波流量计
光子抑垢机
次氯酸钠
次氯酸
膜产品
光度计
传感器
安装附件
药品与试剂
测试软件
GP系列
SWA100sc
SWA930sc
AK系列
取样系统
取水系统
型号:TARAflow-FLC-3
名称:恒压流通杯
E-mail: swaserve@sycamin.com TEL:512-68656462